产品结构设计螺丝柱常见缺陷及解决方案汇总
- 生活百科
- 2026-03-19
- 617
螺丝柱(Boss柱)是塑胶产品而机构设计中最为常见的结构形式之一,也是成型中遇到问题最多的结构之一。常见的成型缺陷主要有:螺丝柱开裂、滑牙、根部断裂、发白等等,从而影响产品的外观及结构功能性要求,下文将从材料、结构设计、模具以及成型等多方面分析整理其缺陷产生的原因与相关的解决方案。
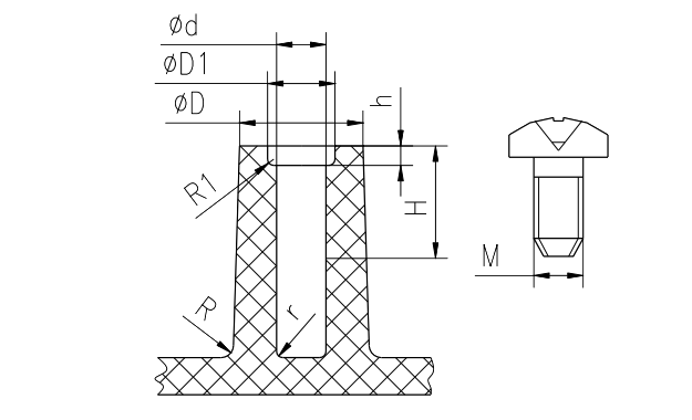
螺丝柱典型结构
对于很多结构设计经验尚浅的设计师来说,比较困惑的就是螺丝柱的尺寸如何确定,其实螺丝柱的尺寸主要是由螺丝的公称直径M和材料类型决定的:
典型螺丝柱结构形式

外径
ΦD=M*外径系数
内径
Φd=M*内径系数
螺纹深度
H=M*螺纹深度系数
常见材料的螺丝柱尺寸系数表
材料
内径系数
外径系数
螺纹深度系数
ABS
0.8
ABS+PC
0.8
PC
0.85
2.5
2.2
PA6
0.75
1.85
1.7
PA66
0.75
1.85
1.7
PP
0.75
PS
0.8
POM
0.75
1.95
PMMA
0.85
螺丝柱内径的入口处可设计一个凹台,主要是减小攻螺丝的初始应力。有时为了简化设计,可以将凹台改成倒角,倒角大小一般为(1~1.5)*45°;内径/外径/凹台根部应该采用圆角过渡,避免应力集中

凹台的直径D1=M+0.2mm
深度h=(0.2~0.5)*D1
螺丝柱高度应尽可能矮。当螺丝柱高度大于其外径的两倍时,一般需要添加加强筋以增 加强度。螺丝柱不能太靠近外壁,否则会造成制件的壁厚不均,从而导致缩水。当靠近外壁时,可采用加强筋与外壁相连。

有时会在螺丝柱上作火山口,火山口就是将螺丝柱的外圆柱面的孔缘和销同步向上延伸。使螺丝柱根部的塑胶不再那么集中,冷却充分,对防止缩水有很好的效果


螺丝柱开裂解决方法
攻螺丝时,螺丝柱可能会产生开裂,可以从以下几个方面分析和解决:
①材料太脆,材料发生降解,韧性不够。
材料中掺入过多比例的水口料,可能会导致材料过脆;材料的断裂伸长率过低,也容易导致螺丝柱开裂。一般来说,对于玻纤含量超过 40%的材料,不推荐在螺丝柱上攻螺丝。成型温度过高时,或者烘干不够材料中含有水分, 引起材料发生降解,也会使得其强度变差,导致螺丝柱的开裂。
②内径过小或者壁厚不足。如果螺丝柱的内径比螺丝的内径还小,那产生开裂的可能性将会非常大;如果螺丝柱的外径过小,即壁厚过小,也会导致螺丝柱的强度不够,引起开裂。
因此,螺丝柱设计时要选择合适的内外径,,必要时 使用加强筋补强。
③内应力过大。制件上残余的内应力过大,也会导致螺丝柱的开裂。在结构设计上, 螺丝柱的根部、销的顶部应采用圆角过渡,防止应力集中。在注塑工艺上,对制件内应力影响较大的参数主要有熔胶温度、模具温度、保压压力、保压时间和注塑速率等。一般来说, 要获得较小的内应力,可采用较高的熔胶温度和模具温度,较小的保压压力和保压时间,较慢的注塑速率,其中模温对内应力的影响最为显著。成型中螺丝柱中要嵌入铜螺纹时,最好使用较高的模温,以使得模具的热量在较短时间内能传递给铜螺母,或者先对铜螺纹进行预热,以消除成型时由于低温带来的内应力使制件开裂。
④环境应力开裂。螺丝柱接触酸、油等有机溶剂时,如果材料本身不能耐这类有机溶剂,有可能引起环境应力开裂。这种接触可能来自模具表面,也可能来自搬运和装配过程。
⑤减小攻螺丝时的初始应力。根据前文提到的,在螺丝柱内径的入口处增设凹台或倒角,减小攻螺丝时的初始应力,可以减少螺丝柱的开裂。
螺丝柱滑牙解决方法
与螺丝柱开裂对应的是滑牙,可以从以下几个方面分析:
①材料过韧,刚性不够,容易导致滑牙;
②螺丝柱内径过大,螺钉咬住的肉厚较薄,也容易导致滑牙
③扭矩过大。扭矩过大时,螺丝柱内侧无法承受 扭力,而外侧部分强度足够没有损坏,从而导致滑牙。
螺丝柱根部断裂与解决方案
①应力集中可导致螺丝柱根部断裂,螺丝柱根部和销的顶部由于存在尖角,成型时容易导致应力集中,在不产生缩水的情况下,这些地方应采用较大的圆角过渡。
②成型温度过高,或者材料中水分过多,材料中成型时发生降解,导致其强度下降,也可 能导致根部断裂。此外,水口掺入的比例也不能过大。
③螺丝柱的销过长且强度不足时,由于受到塑胶熔体的冲击,可能产生变形偏移,填充结束后,销要复位回弹,这样螺丝柱根部会受到反复冲击,根部容易断裂。这种情况下,螺丝柱背后的缩痕会向下游移动(销回弹时,下游压力小),也有形成熔接线的可能。
螺丝柱缩水与解决方案
螺丝柱背后经常会遇到缩水问题,常见的解决方案是加火山口,火山口之所以能防止缩水是因为它能使得螺丝柱根部的等效壁厚(内切圆直径 2R)变小,当根部的等效壁厚与制件壁厚 T 相差不大时,制件就不容易产生缩水。
螺丝柱太靠近侧壁时,由于局部壁厚增大,也容易导致缩水,采用加强筋的方式使螺丝柱与侧壁相连,避免缩水。
模具设计时,在螺丝柱附近设置浇口,也可以防止缩水。离浇口越近,保压越充分,补 缩作用越强,缩水越不明显。

螺丝柱发白及其解决方案
①螺丝柱根部发白,其原因是在冷却不足的情况下,开模时销拔出,销的顶部形成真空,塑胶在被吸入时受力。
解决方法是延长冷却时间,使得螺丝柱根部充分冷却后再脱模。加火山口的设计,使得螺丝柱根部壁厚 更薄,更容易冷却,也可以消除发白。
②攻螺丝后,螺丝柱主体有发白,其原因可能是使用的扭矩过大,螺丝柱的壁厚过薄,可以增大外径以增加螺丝柱的强度。

下一篇:公路养护标准
发表评论